(1 кор.=2 петли) Петля скрытая ELEMENTIS, универсальная, 3D, 115x23 мм, 40 кг, цамак, античная бронза

3 277,94₽/2 шт.
3 277,94₽/2 шт.
Артикул
ELM2000.27
Торговая марка
ELEMENTIS
Все параметры
Максимальный вес двери на 2 петли
Цвет
Антик бронзовый
Белый

Золотистый глянцевый

Золотистый матовый
Серебристый
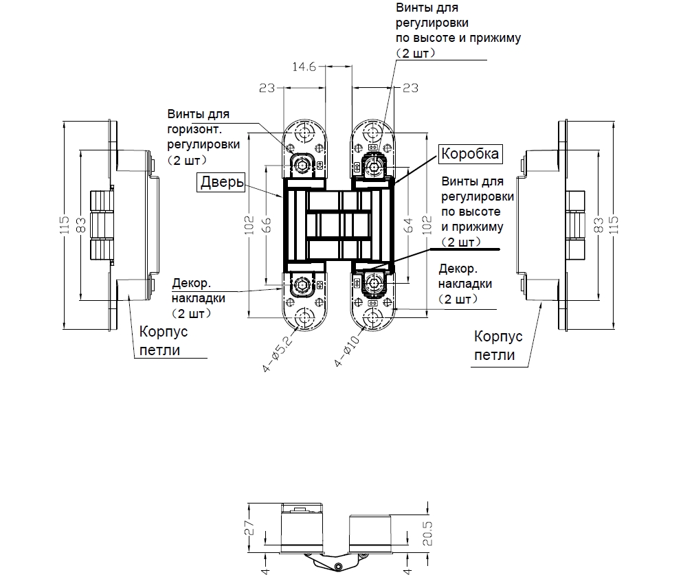
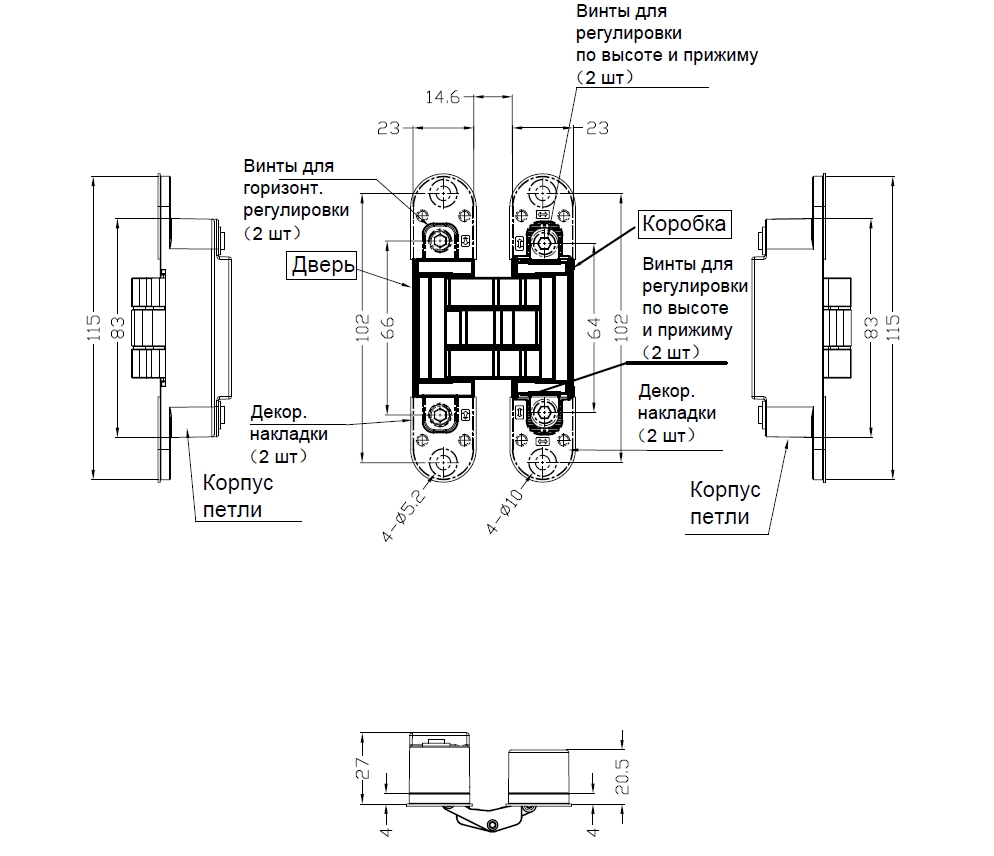
Размеры петли (ВxШ)
Тип скрытой петли
Описание
Параметры
Артикул
ELM2000.27
Торговая марка
ELEMENTIS
Вес, кг
0.57
Норма отпуска
2
Возможность регулировки
Да
Максимальный вес двери на 2 петли
40
Материал изделия
Цамак
Защита от съема
Нет
Модель петли
ELM 2000
Тип петли
Скрытая
Материал двери
Дерево
Бренд
Elementis
Размеры петли (ВxШ), мм
115x23
Тип скрытой петли
Симметричная (без смещения осей)
Цвет
Антик бронзовый
Почему стоит начать покупать в ТБМ


