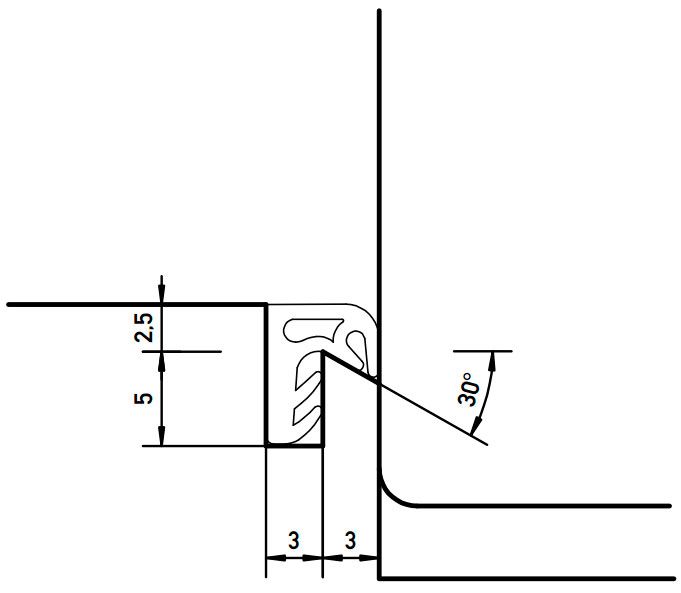
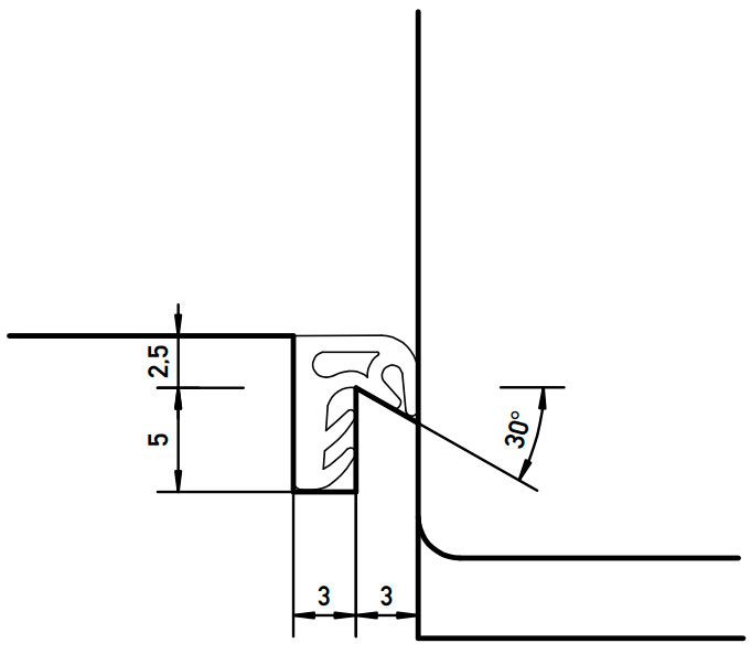
Уплотнитель для деревянных евроокон DEVENTER на наплав створки, ширина паза 3 мм, ТЭП, белый RAL 9016

58,41₽/1 м
Количество:
При покупке длины 600 см - скидка до 10%
Количество:
При покупке длины 600 см - скидка до 10%
Артикул
S8016W/1
Торговая марка
DEVENTER
Цвет
Белый
Все параметры
При покупке длины 200 м - скидка до 10%
Длина, м
Цена 1 отрезка
Количество, шт
Стоимость
58,41 ₽
0 ₽
0 ₽
Описание
Параметры
Артикул
S8016W/1
Торговая марка
DEVENTER
Вес, кг
0.026
Норма отпуска
200
Цвет
Белый
Тип
На наплав створки
Ширина паза, мм
3
Почему стоит начать покупать в ТБМ


